Débitmètre Siemens MAG8000 DN80 compact batterie interne + module 3G UMTS et antenne 5 m
Le MAG 8000 est un débitmètre magnéto-inductif alimenté par piles pour le calcul des volumes de débit pour l'alimentation, la distribution, la tarification et l'irrigation sur réseaux d'eau. Equipé de son transmetteur compact, d'une batterie interne, Module additionnel MAG 8000 3G/UMTS et antenne 5 m.
| DN entrée (mm): 80 |
Référence:
7ME6810-3MC31-1AS1
Accessoires - Débitmètre Siemens MAG8000 DN80 compact batterie interne + module 3G UMTS et antenne 5 m
Le MAG 8000 est un compteur d’eau micro-processorisé, pourvu d’un afficheur graphique et de touches de commande permettant l’exploitation des informations sur site d’installation.
Le convertisseur de signaux régule le champ magnétique au niveau du capteur, évalue les signaux de valeur d’écoulement qu’il transmet et calcule les volumes de débit.
Il s’agit d’une solution système avec sortie d’impulsions intégrée ou interfaces de transmission des données assurant la communication des informations requises.
Les fonctions intelligentes de traitement des informations et diagnostic attribuent à ce compteur son importance primordiale en matière d’approvisionnement en eau et de tarification.
Le MAG 8000 est conçu comme compteur d’eau autonome pour les domaines d’application suivants :
- Prélèvement
- Distribution sur réseau d’eau (de l’installation de traitement jusqu’aux consommateurs)
- Facturation (comptage des quantités d’eau traités pour tarification)
- Irrigation/arrosage (comptage des quantités d’eau distribuées pour tarification et supervision des volumes de consommation)
Les fonctions intelligentes de traitement des informations et diagnostic attribuent à ce compteur son importance primordiale en matière d’approvisionnement en eau et de tarification.
Atouts du MAG8000 :
- Compteur performant avec systèmes de mesure et d’affichage intelligents
- Enregistreur de données avec profil de consommation facilement consultable
- Installation rapide et simple
- Faibles coûts de service et de maintenance
- Utilisation de piles sans entretien pendant 6 ans
- Absence de pièces en mouvement pour garantir une usure minimale et la précision des mesures
- Mesure très haute précision : Incertitude max. 0,2% , Homologation OIML R49, Mesure bidirectionnelle
Caractéristiques du MAG8000 - 7ME6810-3MC31-1AS1 :
- Version Basic: pour toutes les applications dans les domaines de l’eau
- Montage compact : transmetteur sur la manchette
- Alimentation par pile interne
- Enregistreur de données
- S1 : Module additionnel MAG 8000 3G/UMTS + antenne portée 5 m
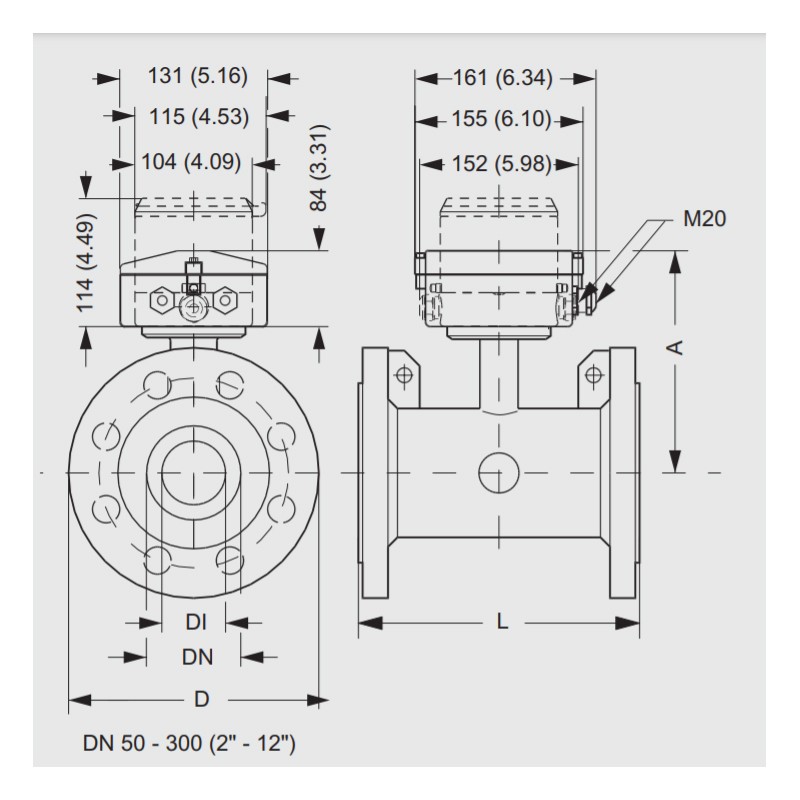
| Diamètre nominal | DN80 |
| A | 207 mm |
| Longueur L EN 1092-1 PN 16 | 200 mm |
| Longueur L AS 4087, PN 16 | 200 mm |
| DI | 67 mm |
| Poids | 17 kg |
| Fréquences des mesures en alimentation par pile (sélection manuelle) | 1/15 ou 1/30 Hz |
| Sortie | 2 FW/RV/Al/CA (taux d’impulsions max. 50 Hz) |
| Communication | Module additionnel MAG 8000 3G/UMTS + antenne 5m |
Conseils
Lors de l’installation, veillez à ce que les températures et les pressions signalées sur la plaque signalétique soient respectées. Assurez-vous également que le capteur se situe à l'emplacement optimal. Le capteur doit toujours être entièrement rempli de liquide.
Produits similaires à Débitmètre Siemens MAG8000 DN80 compact batterie interne + module 3G UMTS et antenne 5 m
Si ce produit ne convient pas, choisissez le plus adapté parmi ceux de la même gamme.

